Para usos donde se necesitan de baja velocidad y elevado par. El motorreductor FB1304 es apropiado para usarse como rotor en estufas a pellet.
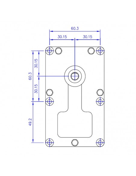
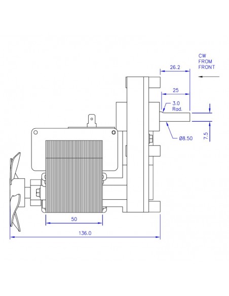
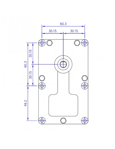
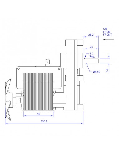
Serie T3, par de salida 20Nm, consumo 52Watt, velocidad 8rpm, sentido de rotación horario, diámetro eje 8,5mm, núcleo ferromagnético 50mm, alimentación 220 V CA - 50/60 Hz
