Extractor de humos SIT GROUP LN2 NATALINI PL21 CE0260 - W931210260 diseñado para estufas a pellets y calderas de biomasas con potencia de 5 a 20KW.
Puede ser montado en lugar del modelo LN2 PL20 - XIANG RRL152 - EBM RR152/0020A15-4225 - RR152/020A22-604 - RR152/3030LH - TRIAL CAF15Y-103PS
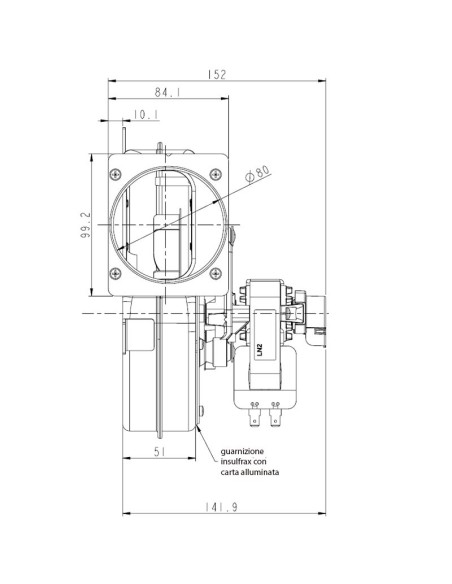
Dotado de caracol en chapa aluminada, cuyo diámetro de salida mide 80 mm, y de rotor en acero AISI 430.
Diseñado para generar presiones hasta 300 Pa con caudal máximo de 160 m3/h.
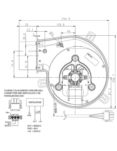
Equipado de boca para la entrada del tubo de salida humos y de senso efecto Hall (codificador).
Conforme a las normas EN60335-1, EN61591, EN60704-3, EN60704-2-13; con clase de aislamiento H y clase de protección I.
Para estufas
- AMG
- ARCE ref. 1611010229 mod. Smart - Smart jr - Mikrò - Micrò jr
- CADEL ref. 4D145140150 mod. Bistrot3 - Cloe - Cloe3 - Cristal 7 KW - Cristal 8,5 KW - Doge plus - Doge3 plus - Elise3 - Elise3 plus - Evo3 7KW - Evo3 8,5KW - Kriss - Kriss 7KW - Prince3 - Prince3 plus - Sfera - Sfera glass - Sfera plus - Shell3 - Sire plus - Sweet - Venus - Venus3 plus - Wall3 plus
- CADEL ref. 41451003200 mod. Cloe - Doge plus - Sfera - Sfera glass - Sfera plus - Sire plus - Venus
- CADEL ref. 414508024 mod. Cristal - Diana - Evo - Ibis 11 KW - Nice - Rondò - Tecna
- CALECOSOL ref. R2600537 mod. Zhana
- CAMINETTI MONTEGRAPPA ref. 1184018210 mod. LI8 Evo - LS6 Evo - LS9 Evo - NP7 Evo - NP10 Evo - NX10 Evo
- DEVILLE ref. D0026826 mod. Ambra Air - Isis - Onyx - Pegase - Sirius - Venus
- ECOTECK ref. 20000-24-001
- ECOTECK ref. CRY-LD-060N-P
- EDILKAMIN ref. 748100 mod. Bering - Bora - Classica - Classica Plus - Idrochip - Idropoint - Idropolis - Kikka - Kikka plus - Micron - Mya - Naomy - Point - Point plus - Polis - Polis plus - Prima - Simpli - Zara - Zara plus
- EDILKAMIN ref. 613740 mod. Chip
- EDILKAMIN ref. 1021400 mod. Jane
- EMAFLAM ref. R2600516 mod. Alma - Alma rond - Citra - Diama - Hema - Sandro
- EUROALPI ref. R2600516 mod. Marmolada - Pasubio - Vezzana
- KALON ref. 120001 mod. Air e idrosmall
- NORDICA EXTRAFLAME Ref. 002271021 - 2271021 Mod. Divina Plus - Divina Steel - Ecologica Idro - Graziosa
- NORDICA EXTRAFLAME Ref. 002271033 - 2271033 Mod. Confort P70 - Dorina - Doroty - Melinda Steel - Viviana - Viviana Plus
- NORDICA EXTRAFLAME Ref. 002271059 - 2271059 Mod. Giusy
- NORDICA EXTRAFLAME Ref. 002271045 - 2271045
- MCZ ref. 41451406501
- MORETTI DESIGN rif. MFVF230V Mod. A7 GLOBE - A7 GLOBE GLASS - A7 STYLE - A8 COMPACT - A9 IRON - A9 STONE - PIRAMID - A10 COMPACT - A10 STYLE - A11 GLASS - A11 IRON - A11 STONE - ERGONOMIC - CLASSIC - A10 RETRO - A12 RETRO - A12 STYLE - A12 ALL STYLE - ELEGANCE - A12 CLASSIC STYLE - A12 ALL STYLE - A13 STYLE - A13 ALL STYLE - CLESS - RELAX - C7 GLOBE - C7 GLOBE GLASS - C8 COMPACT - C9 IRON - C9 STONE - PIRAMID - C10 COMPACT - C11 GLASS - C11 IRON - C11 STONE - ERGONOMIC - CLASSIC - C12 STYLE - C12 ALL STYLE - C12 CLASSIC STYLE - C12 ALL STYLE - C13 STYLE - C13 ALL STYLE - CLESSIDRA - VENERE S - OLDY 9 - RELAX - RAMSES - PRETTY PLUS - VIRGO - MICRO - MINI - ALBA - PRETTY - ZEUS - SIXTY - OLDY - GIOIA - TRILLY - A6 IRON - A5 COMPACT - IRIDE - ATHENA - ARTEMIDE - VESTA - POSEIDON - COMPACT - GENUS MINI - AQUA 9 STYLE - AQUA 9 ALL STYLE - AQUA 11 GLASS - AQUA 11 IRON - AQUA 11 STONE - AQUA 12 RETRO - AQUA 13 STYLE - AQUA 13 ALL STYLE - CLESSIDRA - AQUA 15 IRON - AQUA 15 STONE - AQUA 15 RETRO - AQUA 12 SLOT - AQUA 16 SLOT - AQUA 18 COMPACT - AQUA 18 TURBO COMPACT GLASS
- PALAZZETTI ref. 895713870 mod. Angelica - Caterina - Giada da rivestire - Isabella - Letizia - Margherita new - Penelope - Silvia - Slimmy - Tracy
- PALLADIO mod. Scozia 10 Kw
- PIAZZETTA ref. RF02010660 mod. P158T
- QLIMA rif. 19900020 mod. Delmara 75 S-line - Delmara 88 S-line - Delmara 125 S-line - Diandra 60 S-line - Diandra 90 S-line - Fiorina 103 S-line - Fiorina 74 S-line - Fiorina 90 S-line - Tectro TBH 558 - Tectro TBH 564 - Tectro TBH 565 - Tectro TBH 570 rif. 410694 mod. Delfina III 90 M-line - Ronda 100 S-line - Ronda 80 glass - Ronda 80 S-line
- RAVELLI ref. 20000-24-001 mod. Lisa 2005 - Lisa 2006
- RAVELLI ref. CRY-LD-060N-P mod. Young 60 - Young80 - Young 110
- SIDEROS mod. Gemini più
